inkl. MwSt. zzgl. Versandkosten
Das Wichtigste im Überblick:
- Kegelradgetriebe-Rollladenantrieb 4:1 Freilauf rechts oder links wählbar
- Kompatibel mit SW40 oder SW60 Welle Drehmoment von 12 Nm
- Antrieb mit Innenvierkant und Innensechskant Durchsteckbares Innenprofil mit 6 mm
- Freilauffunktion verhindert falsches Aufwickeln
- Fragen oder telefonische Bestellung : 07144 33 45 125
- markiso ID 31455
- Artikelnummer : 456F026 SW40
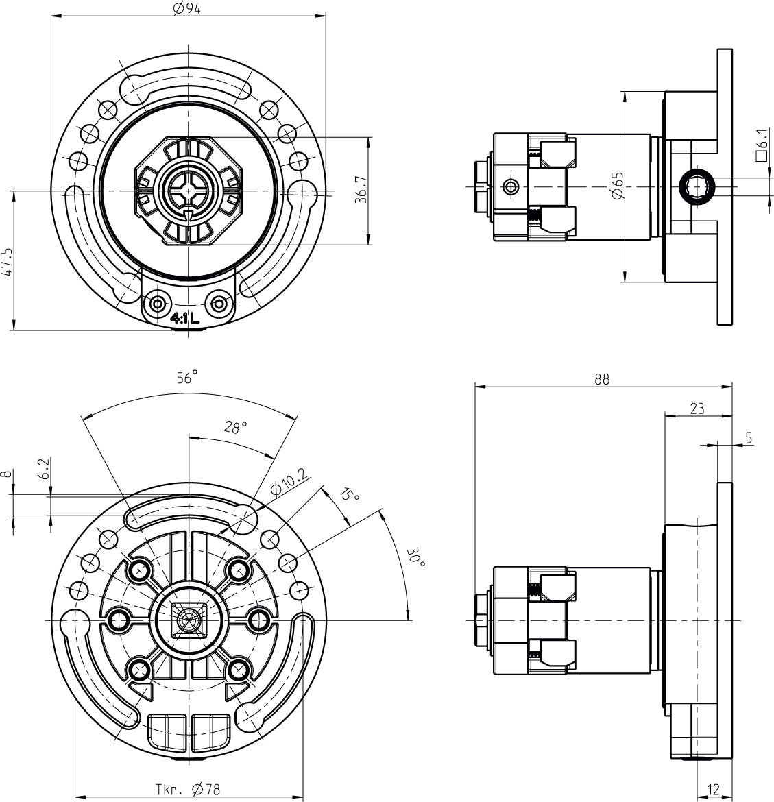
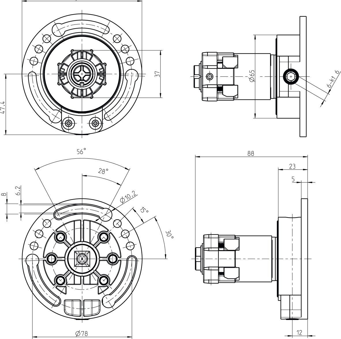
Kegelradgetriebe 4:1 – maximale Sicherheit und Komfort für Ihre Rollladensteuerung
Das Kegelradgetriebe 4:1 bietet höchste Bedienfreundlichkeit, Sicherheit und Langlebigkeit. Mit einer Untersetzung von 4:1 und einem Antriebsdrehmoment von 12 Nm ist es ideal für Rollladenbehänge verschiedener Größen.
Der innovative Bremsfederfreilauf sorgt für eine leichtgängige Bedienung und verbessert den Wirkungsgrad auf über 85 % – perfekt für den täglichen Einsatz im Wohn- oder Gewerbebereich.
Eigenschaften des Kegelradgetriebes 4:1
Das Getriebe ist aus galvanisch verzinkten Druckgussteilen gefertigt und überzeugt durch seine robuste Handwerkerqualität.
Die integrierte Auflaufkupplung schützt zuverlässig vor Schäden durch falsches Aufwickeln des Rollladens und aktiviert sich automatisch, sobald der Behang seine Endlage erreicht.
Das durchsteckbare Innenprofil (6 mm) ermöglicht eine schnelle, unkomplizierte Montage.
Erhältlich ist das Getriebe in zwei Varianten:
-
Innenvierkant (6 mm)
-
Innensechskant (6 mm)
So lässt sich das Getriebe flexibel an Ihr bestehendes Gelenklager-System anpassen.
Technische Daten
| Merkmal | Beschreibung |
|---|---|
| Produktart | Kegelradgetriebe 4:1 für Rollläden |
| Übersetzung | 4:1 |
| Antriebsdrehmoment | 12 Nm |
| Material | Galvanisch verzinkter Druckguss |
| Kompatible Wellen | SW40, SW50, SW60 |
| Antrieb | Innenvierkant oder Innensechskant 6 mm (durchsteckbar) |
| Montage | Verschrauben |
| Sicherheitsfunktion | Integrierte Auflaufkupplung |
| Wirkungsgrad | Über 85 % |
| Lebensdauer | Über 10.000 Betätigungen |
| Ausführung | Links- oder Rechtslauf erhältlich |
Vorteile des Kegelradgetriebes 4:1
-
✅ Untersetzung 4:1 (12 Nm) – ideal für Rollladenbehänge bis mittlerer Größe
-
✅ Leichte Bedienung – dank Bremsfederfreilauf mit hohem Wirkungsgrad
-
✅ Integrierte Auflaufkupplung – schützt zuverlässig vor Fehlbedienung und Schäden
-
✅ Einfache Montage – durchsteckbares Innenprofil, kein Verschrauben nötig
-
✅ Zwei Varianten: Innenvierkant oder Innensechskant – maximale Kompatibilität
-
✅ Langlebig und robust – über 10.000 Bewegungen, wartungsarm und präzise
Fazit – Qualität für höchste Ansprüche
Das Kegelradgetriebe 4:1 von markiso.de kombiniert Handwerkerqualität, Sicherheit und Komfort in einem kompakten System.
Mit seinem robusten Aufbau, dem präzisen Freilauf und der flexiblen Anschlusswahl (Innenvierkant oder Innensechskant) ist es die ideale Lösung für sichere und leichtgängige Rollladensteuerung – zuverlässig über viele Jahre.
|
Montageanleitung – Rollladengetriebe
Benötigtes Material
-
Neues Rollladengetriebe
-
Schraubendreher, Maulschlüssel
-
Bohrmaschine (optional)
-
Leiter und Schutzhandschuhe
Schritt-für-Schritt Anleitung
1. Werkzeug vorbereiten
Legen Sie alle benötigten Werkzeuge bereit, um während der Montage ohne Unterbrechung arbeiten zu können.
2. Rollladen vollständig ablassen
Lassen Sie den Rollladenpanzer komplett herunter, um freien Zugang zum Getriebe und zur Welle zu erhalten.
3. Kurbelgelenk und Kurbel demontieren
Schrauben Sie das Kurbelgelenk und die Kurbelstange von der Wand ab.
Öffnen Sie anschließend den Rollladenkasten, um Zugang zur Rollladenwelle und zum Getriebe zu bekommen.
4. Rollladenpanzer aushängen
Trennen Sie den Rollladenpanzer vorsichtig von der Welle.
Meist ist er mit Aufhängefedern befestigt – lösen Sie diese behutsam.
5. Welle und altes Getriebe entfernen
Ziehen Sie die Rollladenwelle aus dem Wandlager auf der gegenüberliegenden Seite.
Trennen Sie die Welle vom Getriebe. Sollte das Getriebe mit einer Schraube an der Welle befestigt sein, entfernen Sie diese.
Nun können Sie das alte Getriebe vollständig von der Wand lösen.
6. Neues Getriebe montieren
Positionieren Sie das neue Rollladengetriebe an derselben Stelle wie das alte.
Achten Sie darauf, dass die Öffnung des Antriebsstabs exakt mit der früheren Position übereinstimmt.
Befestigen Sie das Getriebe sicher an der Wand.
7. Welle einsetzen
Schieben Sie die Rollladenwelle wieder in das Wandlager und verbinden Sie sie mit dem neuen Getriebe.
Achten Sie auf einen festen und zentrierten Sitz.
8. Rollladenpanzer einhängen
Hängen Sie den Rollladenpanzer wieder in die Welle ein.
Überprüfen Sie, ob er gleichmäßig auf- und abläuft, und schließen Sie anschließend den Rollladenkasten.
9. Kurbelgelenk und Kurbel montieren
Montieren Sie die Kurbelstange und das Kurbelgelenk wieder an der Wand.
Achten Sie auf feste Verschraubungen und eine leichtgängige Bewegung.
10. Funktionsprüfung
Betätigen Sie den Rollladen mehrmals vollständig auf und ab.
Überprüfen Sie, ob das neue Getriebe reibungslos läuft und den Rollladen in jeder Position sicher hält.
✅ Tipp: Ziehen Sie alle Schrauben nach der Funktionsprüfung leicht nach und prüfen Sie nach einigen Tagen erneut den festen Sitz.





